FAG N202-E-TVP2

  • Part no.: N202-E-TVP2
  • Brand: FAG
  • Type: Cylindrical roller bearing
  • Single row,Non-locating
  • Cage type: Glass fibre
  • Dimension: 15x35x11mm
  • Weight: 0.047kg
SKU: c9c7279b420a Category: Tag:

Description

FAG N202-E-TVP2 Cylindrical roller bearing

fag N202-E-TVP2
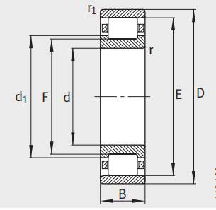
Designation Mass Dimensions
m d D B r r1 s1) E F D1 d1
≈kg mm mm mm min min ≈ ≈

N202-E-TVP2

0.047 15 35 11 0.6 0.3 0.5 30.3 19.3 – 21.6

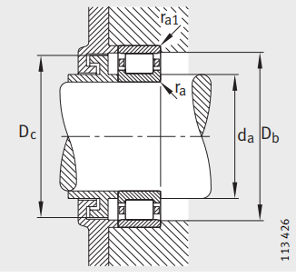
FAG N202-E-TVP2 Mounting dimensions

FAG N202-E-TVP2 Mounting dimensions
Mounting dimensions Basic load ratings Fatigue limit load Limiting speed Reference speed
da db Da ra ra1 dyn stat Cur nG nB
min max min max max max Cr N C0r N N min-1 min-1
17.4 – – 32.6 0.6 0.3 15 100 10 400 1 470 22 000 17 600

 

Features
Single row cylindrical roller bearings with cage are units comprising solid inner and outer rings and cylindrical roller and cage assemblies. The outer rings have rigid ribs on both sides or no ribs, the inner rings have one or two rigid ribs or are designed without ribs. The cage prevents the cylindrical rollers from coming into contact with each other during rolling.
The cylindrical roller bearings have high rigidity, high radial load carrying capacity and, due to the cage, are suitable for higher speeds compared to full complement designs. Bearings with the suffix E have a higher capacity roller set and are thus designed for very high load carrying capacity. The bearings are separable and are therefore easier to fit and dismantle. Both bearing rings can be given a tight fit by this process. Single row cylindrical roller bearings with cage are available as non-locating, semi-locating and locating bearings.

Non-locating bearings
Cylindrical roller bearings NU and N are non-locating bearings and can support radial forces only.
In series NU, the outer ring has two ribs, while the inner ring has no ribs. Bearings of series N have two ribs on the inner ring and an outer ring without ribs.

Operating temperature
Single row cylindrical roller bearings with cage can be used at operating temperatures from –30 °C to +150 °C. For continuous operating temperatures above +120 °C, please contact us.
Bearings with a plastic cage (suffix TVP2) are suitable up to +120 °C; the operating life is heavily dependent on the lubricant used.

Additional information

Weight 0.047 kg
Dimensions 15 × 35 × 11 mm