Description
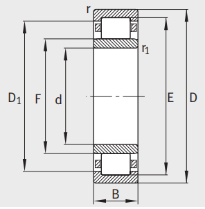
FAG NU2304-E-TVP2 Cylindrical roller bearing |
![]() |
| Designation | Mass | Dimensions | |||||||||
| m | d | D | B | r | r1 | s1) | E | F | D1 | d1 | |
| ≈kg | mm | mm | mm | min | min | ≈ | ≈ | ||||
|
NU2304-E-TVP2 |
0.215 | 20 | 52 | 21 | 1.1 | 0.6 | 1.9 | 45.5 | 27.5 | 42.4 | – |
FAG NU2304-E-TVP2 Mounting dimensions |
![]() |
| Mounting dimensions | Basic load ratings | Fatigue limit load | Limiting speed | Reference speed | ||||||
| da | db | Da | ra | ra1 | dyn | stat | Cur | nG | nB | |
| min | max | min | max | max | max | Cr N | C0r N | N | min-1 | min-1 |
| 24 | 27 | 30 | 45 | 1 | 0.6 | 48 500 | 38 000 | 6 300 | 14Â 000 | 9 900 |
Features
Single row cylindrical roller bearings with cage are units comprising solid inner and outer rings and cylindrical roller and cage assemblies. The outer rings have rigid ribs on both sides or no ribs, the inner rings have one or two rigid ribs or are designed without ribs. The cage prevents the cylindrical rollers from coming into contact with each other during rolling.
The cylindrical roller bearings have high rigidity, high radial load carrying capacity and, due to the cage, are suitable for higher speeds compared to full complement designs. Bearings with the suffix E have a higher capacity roller set and are thus designed for very high load carrying capacity. The bearings are separable and are therefore easier to fit and dismantle. Both bearing rings can be given a tight fit by this process. Single row cylindrical roller bearings with cage are available as non-locating, semi-locating and locating bearings.
Non-locating bearings
Cylindrical roller bearings NU and N are non-locating bearings and can support radial forces only.
In series NU, the outer ring has two ribs, while the inner ring has no ribs. Bearings of series N have two ribs on the inner ring and an outer ring without ribs.
Operating temperature
Single row cylindrical roller bearings with cage can be used at operating temperatures from –30 °C to +150 °C. For continuous operating temperatures above +120 °C, please contact us.
Bearings with a plastic cage (suffix TVP2) are suitable up to +120 °C; the operating life is heavily dependent on the lubricant used.




