INA SL1923

  • Part no.: SL1923
  • Brand: INA
  • Bearing type:full complement cylindrical roller bearing
  • Single row,Semi-locating bearings
  • Dimension:12.5×12.3×52.2mm
  • Weight: 23.2kg
Category:

Description

INA SL1923 Semi-locating bearing

Single row

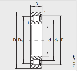
Designation Mass Dimension Mounting dimensions
m d D B r S1) F d1
≈kg mm mm mm min

SL1923

INA SL1923 Axial displacement “S”
Mounting dimensions Basic load ratings Fatigue limit load Limiting speed Reference speed
D1 E dyn stat Cur nG nB
Cr N C0r N N min-1 min-1

Features
Full complement cylindrical roller bearings have solid outer and inner rings and rib-guided cylindrical rollers. Since they have
the maximum possible number of rolling elements, these bearings have extremely high radial load carrying capacity and high rigidity and are suitable for particularly compact designs. Due to the kinematic conditions, however, they do not achieve the high speeds that are possible when using cylindrical roller bearings with cage.
Full complement cylindrical roller bearings are available as non-locating, semi-locating and locating bearings as well as in single and double row designs.

Semi-locating bearings
Semi-locating bearings are available in single row design as SL1818 (dimension series 18), SL1829 (dimension series 29), SL1830 (dimension series 30), SL1822 (dimension series 22), SL1923 (dimension series 23)and in double row design as SL1850 (dimension series 50).
They can support not only high radial forces but also axial forces in one direction and can therefore guide shafts axially in one direction. They act as non-locating bearings in the opposite direction.Series SL1923 has only one rib on the inner ring. As a result,the inner ring can be removed from the bearing. This makes fitting and dismantling considerably easier.

Sealing/lubricant
The cylindrical roller bearings are not sealed and not greased.They can be lubricated with oil or grease. The semi-locating bearings can be lubricated via the end faces, while the double row designs can additionally be lubricated via a lubrication groove and lubrication holes in the outer ring.

Axial displacement of inner ring
The inner ring can be axially displaced in one direction only by the dimension “s” stated in the dimension table.

Reviews

There are no reviews yet.

Be the first to review “INA SL1923”